KS2300X是用于软件无线电(SDR)方案中的基带处理芯片。KS2300X集成了高效能的应用处理器,以及两个通信基带处理子系统。每个通信基带子系统集成了一个协议处理器、一个通用DSP和一个高性能矢量DSP。芯片中也集成了通信处理常用的ASIC加速器。在这些加速器的辅助下,客户可以实现高吞吐率的自定义无线通信。KS2300X采用的一些特殊的低功耗设计,这些设计有助于在各种通信场景下获取高性能和低功耗特性。
应用范围
SDR通信模块,点对点通信,自组网通信,物联网通信小站基带处理。
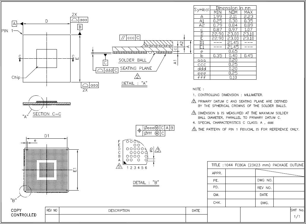
封装信息

国产自主可控的软件无线电基带处理芯片,芯片的研发、生成、封装和测试都在国内
高性能、低功耗双模并发基带处理,每个模式都能支持最高速率到100Mbps
基带处理器中的运算资源灵活可配,可以根据波形基带处理的复杂度,采用一套或者两套运算资源完成波形处理
支持多套射频接口,可以实现2套2x2 MIMO,或者1套4x4 MIMO
提供多种信道编解码硬件加速,支持RS、卷积、Turbo、LDPC、Polar的编解码加速
通信链路架构支持信道迭代均衡算法实现
集成高精度守时算法
| KS2300X | |
| 芯片通用特性 | 集成E-Fuse 集成SHA/AES加速器 集成芯片温度监测模块 集成3499拉斯维加斯官网守时方案 支持芯片唯一编号(UID) 支持安全启动 数字内核电压范围:0.8~1.0V 数字I/O 1.8V,3.0V (SDIO, SIM, 键盘接口) 模拟电压0.9/1.8/3.3V 深度睡眠功耗: < 4mW 工作功耗:200mW ~ 4W ESD, 2KV HBM T存储: -55℃~ 150℃ T环境: -40℃~ 85℃ T结温: -40℃~ 125℃ 28nm 工艺 FLBGA, 23mm x 23mm, 0.65-pitch 符合环保要求, 符合ROHS规范 |
| 应用处理器 | ARM CortexTM A7双核,主频最高到1.1GHz 32KB L1 I-Cache ,32KB L1 D-Cache 256KB L2 Cache 支持NEON,支持SIMDv2/VFPv4指令集 |
| 基带处理子系统 | 支持两个基带处理子系统,支持两个波形通信同时处理 每个基带处理子系统包括: ? 一个协议处理器 ? 一个 CEVA X1643 DSP ? 一个 CEVA XC4500 DSP ? 一个ASIC 通信加速器集(HAC) 每个协议处理器: ? ARM CortexTM A7,主频最高到1.1GHz ? 32KB L1 I-Cache ,32KB L1 D-Cache ? 256KB L2 Cache ? 支持NEON,支持SIMDv2/VFPv4指令集 每个X1643 DSP: ? VLIW 指令架构 ? 频率范围24~614.4MHz ? 峰值处理能力达到 2.46GMAC/s 每个 XC4500 DSP: ? VLIW 指令架构 ? 频率范围24~614.4MHz ? 支持浮点协处理,兼容IEEE 754 单精度规范 ? 峰值处理能力达到 41.8GMAC/s 4M byte片上共享SRAM ASIC硬件加速器包括: ? 通用数字前端处理单元 ? 发送链路级联上采样滤波器,上采样率1 ~ 32倍 ? 接收链路级联下采样滤波器,下采样率1 ~ 64倍 ? 可编程发送信道成形滤波器 ? 可编程接收信道匹配滤波器 ? 支持发送通道NCO/Cordic ? 支持接收通道NCO/Cordic ? 高性能FFT/IFFT 处理器 ? LTE-A HARQ 处理器 ? MIMO 检测 ? LTE-A Turbo编解码器 ? LTE-A Viterbi 编解码器 ? 5G Polar编解码器 ? 5G LDPC编解码器 ? RS编解码器 ? 符合3Gpp标准的加解密模块 |
| 射频接口 | 支持两套射频接口 每套射频接口: ? 兼容 JESD 207 ? 支持AD9361 LVDS 模式 ? 支持CX9261 ? 支持digital RF V1.12 ? 支持RX6001B ? 支持SPI interface ? 支持MIPI RFFE 接口 ? 支持32 射频控制IO |
| 外部存储接口 | 支持Nand flash接口 支持SPI nor 接口 支持eMMC 4.5 接口 支持DDR3(L)/LP DDR3 接口: ? 时钟最高到 933MHz ? 32-bit 位宽 ? 支持2 片选 ? 最大容量支持4G byte |
| 通用外设接口 | 支持1 GMAC 支持3 USB 3.0, DRD 支持3 SDIO3.0 host, 1 SDIO 3.0 slave 支持12 UART接口 支持6 SPI接口 支持3 I2C接口 支持2 ISO7816 ports 支持2 I2S/PCM ports接口 支持JTAG for ARM 和DSP 支持4 对PWM 支持6 通道事件采集 支持 5x5键盘接口 支持12-bit 8 通道AuxADC 支持2 个12-bit DAC |
北京物芯科技有限责任公司
电话:010-58295114
传真:010-58295620
地址:北京市朝阳区安定门外大街1号1307室
邮编:100013
邮箱:wuxin.sales@kyland.com